Boa tarde.
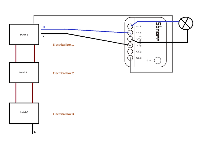
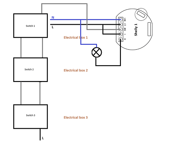
Tenho algo deste género na minha casa e quero manter os interruptores, mas ao mesmo tempo ter a lâmpada sempre alimentada (a servir de router zigbee) e permitir que a luz ligue por automação, independentemente da posição dos interruptores.

Alguém me consegue confirmar se estes esquemas estão corretos e se algum destes faz exatamente o pretendido? Um é com o Shelly 1 e outro com o Sonoff ZBMINIR2.

